

旋转蒸发仪
Q:如何选择玻璃套装A,B和E?
A:A套为蒸馏效率高的基础款,价格也较低。而B/E套为纵型冷凝管,安装需求空间较小。如通风柜内或是多台设备在试验台上使用时,通常选择B套(冷凝液积留及逆流防止)或E套。
Q:请告知保温管的种类。
A:有软管和硬管两种选择。软管分为两种,OCF62(使用温度范围:‒20~80°C硅胶材质)有效防止表面结露,保温性能较高。OCF12(使用温度范围:‒20~80°C聚乙烯材质)为便于布线的标准型。硬管OCF78(使用温度范围:‒20~60°C聚氨酯材质)为快插式连接,无需准备抱箍及接头。
Q:隔膜式真空泵适用于哪些场合?
A:适用于含有大量水蒸汽或有机溶剂蒸汽的气体排气(减压)。N820G主要设计使用于旋转蒸发仪的减压,但也可用于其他减压过滤或脱泡等各种应用。
Q:溶剂回收装置的使用用途是什么?
A:主要作为旋转蒸发仪的二次排气冷阱连接在真空泵的出口侧使用,也可以作为小型溶剂回收装置,使用于各种实验。
Q:真空控制器VR102S-B是否可以用于RE212-B以外的旋蒸蒸发仪?
A:VR102S-B可以作为真空控制器与其他旋转蒸发仪连接使用,但无法实现与RE212-B系列联动运行的类似功能。
Q:蒸馏瓶类可以选择非标准品使用么?
A:蒸馏瓶在运行时会高速旋转,标准品设计晃动最小。其他的蒸馏瓶就算接口尺寸相同可以安装,但可能因为晃动问题导致设备故障。请务必选择标准品使用。
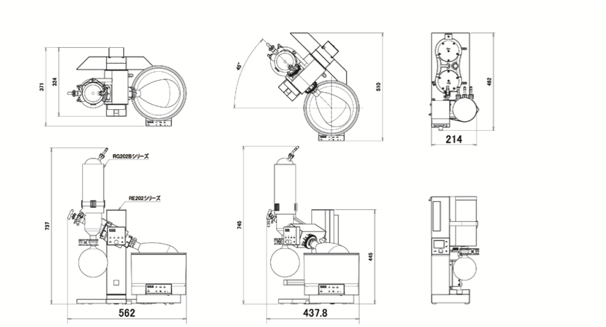
Q:有旋转蒸发仪(含水浴,玻璃套装B),标准支架 (含真空控制器,真空泵及排气冷阱套装)的图纸吗?
A:请参照如下图纸。正面安装时宽幅为 562mm,斜角 45°安装时 宽幅减少到 437.8mm,是多台同时使用场景下的理想设计。

真空控制器 VR102S
Q:真空控制器VR102S可以连接到RE212以外的旋转蒸发仪上使用吗 ?
A:VR102S可以用作真空控制器来使用,但是与RE212系列的联动运行操作无法使用。
Q:真空控制器VR102S的清洁功能如何使用?
A:VR102S的清洁功能是在运行结束恢复常压后,根据运行前预设的清洁时间,采用抽气方式自动清洁真空管路。尤其在使用旋转蒸发仪处理有机溶剂时,实验停止后残留蒸汽会凝结,使用清洁功能可有效去除残留的有机蒸汽并干燥。
Q:如何选择运行模式?
A:
-Manual 模式 按照设定的真空度和设定的迟滞幅度连续运行。

-Gradient 模式 为了防止暴沸,在减压的过程中,逐渐将压力降低至设定值。
梯度运行的起始点(压力、时间),会根据设定压力值自动计算。

-Auto 模式 应对压力设定值不明的溶剂,检测减压时的压力变化,通过控制梯度操作以防止暴沸。 梯度运行的起始点(压力、时间),会根据设定压力值自动计算。
真空控制电磁阀 OVR10
Q:如何通过控制电磁阀实现压力变化?
A:使用OVR10会实现如下图所示稳定的压力变化控制。

但是,如果没有OVR10则不能使用【Gradient模式】及【Auto模式】。
其使用条件为:
-溶剂:丙酮(约500mL)
-冷却水:5℃ -水浴温度:40℃ -烧瓶转速:100 rmp
VR102S设置 : -运行模式:Manual模式 -设定压力:200 hPa -迟滞:1 hPa
溶剂回收装置
Q:溶剂回收装置的用途是什么?
A:溶剂回收装置的主要用途是作为旋转蒸发仪所产生蒸汽的二次回收,连接在真空泵的出口处。除此之外,也可作为小型的溶剂回收装置使用在各种实验中。